ГОСТ 9.903-2024
Единая система защиты от коррозии и старения. Стали и сплавы высокопрочные. Методы ускоренных испытаний на коррозионное растрескивание
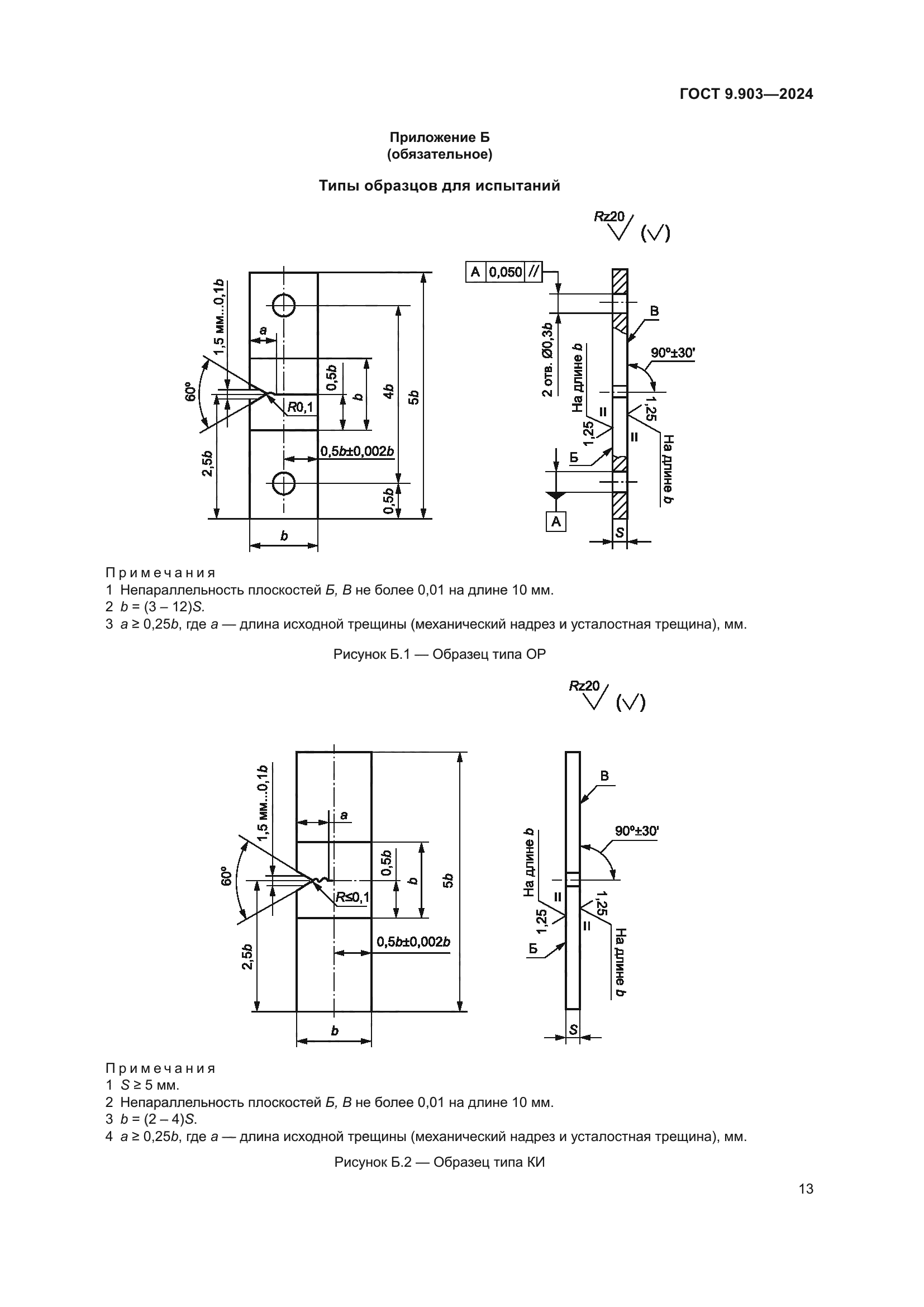
принят Настоящий стандарт распространяется на высокопрочные стали и титановые сплавы (далее – материалы) и устанавливает методы ускоренных испытаний на коррозионное растрескивание образцов с предварительно созданными усталостными трещинами
Текст ГОСТ 9.903-2024























		
		Другие ГОСТы
ГОСТ 9.602-2016 Единая система защиты от коррозии и старения. Сооружения подземные. Общие требования к защите от коррозииГОСТ 9.019-74 Единая система защиты от коррозии и старения. Сплавы алюминиевые и магниевые. Методы ускоренных испытаний на коррозионное растрескивание
ГОСТ 9.904-82 Единая система защиты от коррозии и старения. Сплавы алюминиевые. Метод ускоренных испытаний на расслаивающую коррозию
ГОСТ 9.508-89 Единая система защиты от коррозии и старения. Средства временной противокоррозионной защиты металлов. Метод определения защитной способности при воздействии пота рук
ГОСТ 9.512-96 Единая система защиты от коррозии и старения. Средства временной противокоррозионной защиты. Метод определения защитной способности смазочных материалов от фреттинг-коррозии
ГОСТ 9.509-89 Единая система защиты от коррозии и старения. Средства временной противокоррозионной защиты. Методы определения защитной способности
ГОСТ 9.903-81 Единая система защиты от коррозии и старения. Стали и сплавы высокопрочные. Методы ускоренных испытаний на коррозионное растрескивание
ГОСТ 9.710-84 Единая система защиты от коррозии и старения. Старение полимерных материалов. Термины и определения
ГОСТ 9.906-83 Единая система защиты от коррозии и старения. Станции климатические испытательные. Общие требования
ГОСТ 9.056-75 Единая система защиты от коррозии и старения. Стальные корпуса кораблей и судов. Общие требования к электрохимической защите при долговременном стояночном режиме
ГОСТ 9.911-2021 Единая система защиты от коррозии и старения. Сталь атмосферостойкая. Метод ускоренных коррозионных испытаний
ГОСТ 9.911-89 Единая система защиты от коррозии и старения. Сталь атмосферостойкая. Метод ускоренных коррозионных испытаний
ГОСТ 9.914-91 Единая система защиты от коррозии и старения. Стали коррозионностойкие аустенитные. Электрохимические методы определения стойкости против межкристаллитной коррозии
ГОСТ 9.912-89 Единая система защиты от коррозии и старения. Стали и сплавы коррозионностойкие. Методы ускоренных испытаний на стойкость к питтинговой коррозии
Дополнительная информация
| Английское название | |
| Введен в действие | 01.07.2025 | 
| Взамен | ГОСТ 9.903-81 | 
| Дата издания | 31.10.2024 |